| | № | Номер детали | Наименование детали | |
|---|
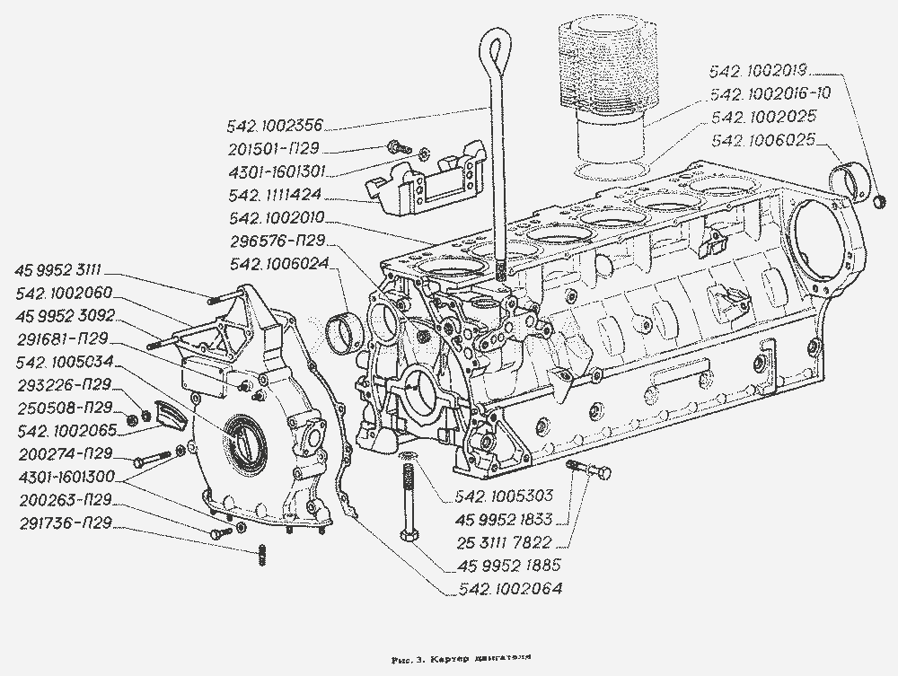
| | 45 9952 1885 | Болт М16х1,5-4hх120 ПодробнееДополнительная информация: | Заявка |
| | 45 9952 1833 | Болт М14х1,5-4hх85 ПодробнееДополнительная информация: | Заявка |
| | 45 9952 3111 | Шпилька М8х1-4hх88 ПодробнееДополнительная информация: | Заявка |
| | 45 9952 3092 | Шпилька М8х1-4hх75 ПодробнееДополнительная информация: | Заявка |
| | 25 3111 7822 | Кольцо 011-016-30-2-6 ГОСТ 9833-73 ПодробнееДополнительная информация: | Заявка |
| | 291736-П29 | Шпилька М8х1-4hх16 ПодробнееДополнительная информация:| Кол-во на 4301 | 11 | | Покрытие | цинкование и пассивирование (цинковое с хроматированием) | | ОКПО класс | 45 Изделия автомобильной промышленности | | ОКПО подкласс | 9 Унифицированные узлы, детали и крепежные изделия, применяемые в автомобильной промышленности, и ремонтно-эксплуатационные комплекты | | Вид изделия | 90-99 - детали, соединяющие трубопроводы, резьбовые пробки | | Вид покрытия | 3 - многослойное медь-никель (никелирование и полировка (П6) |
| Заявка |
| | 291681-П29 | Шпилька М6-4hх18 ПодробнееДополнительная информация:| Кол-во на 4301 | 6 | | Покрытие | цинкование и пассивирование (цинковое с хроматированием) | | ОКПО класс | 45 Изделия автомобильной промышленности | | ОКПО подкласс | 9 Унифицированные узлы, детали и крепежные изделия, применяемые в автомобильной промышленности, и ремонтно-эксплуатационные комплекты | | Вид изделия | 90-99 - детали, соединяющие трубопроводы, резьбовые пробки | | Вид покрытия | 3 - многослойное медь-никель (никелирование и полировка (П6) |
| Заявка |
| | | Шайба пружинная коническая ПодробнееДополнительная информация: | Заявка |
| | 293226-П29 | Шайба 6,5 ПодробнееДополнительная информация:| Кол-во на 4301 | 18 | | Покрытие | цинкование и пассивирование (цинковое с хроматированием) |
| Заявка |
| | | Шайба 10х20 коническая ПодробнееДополнительная информация: | Заявка |
| | 542.1005303 | Шайба ПодробнееДополнительная информация:| Кол-во на 4301 | 14 | | Модель | 542 | | Группа | Двигатель | | Подгруппа | Вал коленчатый и маховик | | Порядковый номер детали | 303 | | ОКПО класс | 45 Изделия автомобильной промышленности | | ОКПО подкласс | 6 Двигатели автомобильные и мотоциклетные, их узлы и детали | | Вид изделия | 60-65 - винты самонарезающие | | Вид покрытия | 0 - без покрытия (П) |
| Заявка |
| | 542.1002016-10 | Цилиндр ПодробнееДополнительная информация:| Кол-во на 4301 | 6 | | Модель | 542 | | Группа | Двигатель | | Подгруппа | Блок цилиндров | | Порядковый номер детали | 016 | | Дополнительно | Не взаимозаменяема с деталью, выпущенной ранее под этим же номером | | ОКПО класс | 45 Изделия автомобильной промышленности | | ОКПО подкласс | 6 Двигатели автомобильные и мотоциклетные, их узлы и детали | | Вид изделия | 60-65 - винты самонарезающие | | Вид покрытия | 0 - без покрытия (П) |
| Заявка |
| | 542.1002065 | Указатель ПодробнееДополнительная информация:| Кол-во на 4301 | 1 | | Модель | 542 | | Группа | Двигатель | | Подгруппа | Блок цилиндров | | Порядковый номер детали | 065 | | ОКПО класс | 45 Изделия автомобильной промышленности | | ОКПО подкласс | 6 Двигатели автомобильные и мотоциклетные, их узлы и детали | | Вид изделия | 60-65 - винты самонарезающие | | Вид покрытия | 0 - без покрытия (П) |
| Заявка |
| | 542.1002064 | Прокладка ПодробнееДополнительная информация:| Кол-во на 4301 | 1 | | Модель | 542 | | Группа | Двигатель | | Подгруппа | Блок цилиндров | | Порядковый номер детали | 064 | | ОКПО класс | 45 Изделия автомобильной промышленности | | ОКПО подкласс | 6 Двигатели автомобильные и мотоциклетные, их узлы и детали | | Вид изделия | 60-65 - винты самонарезающие | | Вид покрытия | 0 - без покрытия (П) |
| Заявка |
| | 542.1002025 | Прокладка ПодробнееДополнительная информация:| Кол-во на 4301 | 6 | | Модель | 542 | | Группа | Двигатель | | Подгруппа | Блок цилиндров | | Порядковый номер детали | 025 | | ОКПО класс | 45 Изделия автомобильной промышленности | | ОКПО подкласс | 6 Двигатели автомобильные и мотоциклетные, их узлы и детали | | Вид изделия | 60-65 - винты самонарезающие | | Вид покрытия | 0 - без покрытия (П) |
| Заявка |
| | 542.1002019 | Пробка М20х1,5 ПодробнееДополнительная информация:| Кол-во на 4301 | 1 | | Модель | 542 | | Группа | Двигатель | | Подгруппа | Блок цилиндров | | Порядковый номер детали | 019 | | ОКПО класс | 45 Изделия автомобильной промышленности | | ОКПО подкласс | 6 Двигатели автомобильные и мотоциклетные, их узлы и детали | | Вид изделия | 60-65 - винты самонарезающие | | Вид покрытия | 0 - без покрытия (П) |
| Заявка |
 | | 296576-П29 | Пробка КГ1/2 ПодробнееДополнительная информация:| Кол-во на 4301 | 5 | | Покрытие | цинкование и пассивирование (цинковое с хроматированием) |
| Заявка |
| | 542.1005034 | Манжета ПодробнееДополнительная информация:| Кол-во на 4301 | 1 | | Модель | 542 | | Группа | Двигатель | | Подгруппа | Вал коленчатый и маховик | | Порядковый номер детали | 034 | | ОКПО класс | 45 Изделия автомобильной промышленности | | ОКПО подкласс | 6 Двигатели автомобильные и мотоциклетные, их узлы и детали | | Вид изделия | 60-65 - винты самонарезающие | | Вид покрытия | 0 - без покрытия (П) |
| Заявка |
| | 542.1002058 | Крышка передняя в сборе ПодробнееДополнительная информация:| Кол-во на 4301 | 1 | | Модель | 542 | | Группа | Двигатель | | Подгруппа | Блок цилиндров | | Порядковый номер детали | 058 | | ОКПО класс | 45 Изделия автомобильной промышленности | | ОКПО подкласс | 6 Двигатели автомобильные и мотоциклетные, их узлы и детали | | Вид изделия | 60-65 - винты самонарезающие | | Вид покрытия | 0 - без покрытия (П) |
| Заявка |
| | 542.1002060 | Крышка передняя ПодробнееДополнительная информация:| Кол-во на 4301 | 1 | | Модель | 542 | | Группа | Двигатель | | Подгруппа | Блок цилиндров | | Порядковый номер детали | 060 | | ОКПО класс | 45 Изделия автомобильной промышленности | | ОКПО подкласс | 6 Двигатели автомобильные и мотоциклетные, их узлы и детали | | Вид изделия | 60-65 - винты самонарезающие | | Вид покрытия | 0 - без покрытия (П) |
| Заявка |
| | 542.1111424 | Кронштейн ПодробнееДополнительная информация:| Кол-во на 4301 | 1 | | Модель | 542 | | Группа | Cистема питания двигателя | | Подгруппа | Насос топливный высокого давления | | Порядковый номер детали | 424 | | ОКПО класс | 45 Изделия автомобильной промышленности | | ОКПО подкласс | 6 Двигатели автомобильные и мотоциклетные, их узлы и детали | | Вид изделия | 60-65 - винты самонарезающие | | Вид покрытия | 0 - без покрытия (П) |
| Заявка |
| | 542.1002010 | Картер ПодробнееДополнительная информация:| Кол-во на 4301 | 1 | | Модель | 542 | | Группа | Двигатель | | Подгруппа | Блок цилиндров | | Порядковый номер детали | 010 | | ОКПО класс | 45 Изделия автомобильной промышленности | | ОКПО подкласс | 6 Двигатели автомобильные и мотоциклетные, их узлы и детали | | Вид изделия | 60-65 - винты самонарезающие | | Вид покрытия | 0 - без покрытия (П) |
| Заявка |
| | 250508-П29 | Гайка М6-6Н ОСТ 37.001.124-93 ПодробнееДополнительная информация:| Кол-во на 4301 | 76 | | Покрытие | цинкование и пассивирование (цинковое с хроматированием) |
| Заявка |
| | 542.1006025 | Втулка ПодробнееДополнительная информация:| Кол-во на 4301 | 1 | | Модель | 542 | | Группа | Двигатель | | Подгруппа | Вал распределительный | | Порядковый номер детали | 025 | | ОКПО класс | 45 Изделия автомобильной промышленности | | ОКПО подкласс | 6 Двигатели автомобильные и мотоциклетные, их узлы и детали | | Вид изделия | 60-65 - винты самонарезающие | | Вид покрытия | 0 - без покрытия (П) |
| Заявка |
| | 542.1006024 | Втулка ПодробнееДополнительная информация:| Кол-во на 4301 | 6 | | Модель | 542 | | Группа | Двигатель | | Подгруппа | Вал распределительный | | Порядковый номер детали | 024 | | ОКПО класс | 45 Изделия автомобильной промышленности | | ОКПО подкласс | 6 Двигатели автомобильные и мотоциклетные, их узлы и детали | | Вид изделия | 60-65 - винты самонарезающие | | Вид покрытия | 0 - без покрытия (П) |
| Заявка |
| | 200274-П29 | Болт М8-6gх75 ПодробнееДополнительная информация:| Кол-во на 4301 | 10 | | Покрытие | цинкование и пассивирование (цинковое с хроматированием) |
| Заявка |
| | 200263-П29 | Болт М8-6gх35 ОСТ 37.001.122-96 ПодробнееДополнительная информация:| Кол-во на 4301 | 7 | | Покрытие | цинкование и пассивирование (цинковое с хроматированием) |
| Заявка |
| | 201501-П29 | Болт М10-6gх35 ОСТ 37.001.123-96 ПодробнееДополнительная информация:| Кол-во на 4301 | 10 | | Покрытие | цинкование и пассивирование (цинковое с хроматированием) |
| Заявка |
| | 542.1002356 | Болт грузовой ПодробнееДополнительная информация:| Кол-во на 4301 | 1 | | Модель | 542 | | Группа | Двигатель | | Подгруппа | Блок цилиндров | | Порядковый номер детали | 356 | | ОКПО класс | 45 Изделия автомобильной промышленности | | ОКПО подкласс | 6 Двигатели автомобильные и мотоциклетные, их узлы и детали | | Вид изделия | 60-65 - винты самонарезающие | | Вид покрытия | 0 - без покрытия (П) |
| Заявка |