| | № | Номер детали | Наименование детали | |
|---|
| | | Крышка люка пола над реостатом указателя уровня бензина ПодробнееДополнительная информация: | Заявка |
| | | Подушка нижняя задней опоры двигателя в сборе ПодробнееДополнительная информация: | Заявка |
| | | Втулка распорная заднего крепления кабины ПодробнееДополнительная информация: | Заявка |
| | | Буфер ПодробнееДополнительная информация: | Заявка |
| | 52-5206010-А | Стекло ветрового окна, либо 52-5206010 ПодробнееДополнительная информация:| Кол-во на 52-02, 52-04 | 1 | | Модель | 52 | | Группа | Окно ветровое | | Подгруппа | Стекла и уплотнение стекла ветрового (детали) | | Порядковый номер детали | 010 | | Дополнительно | Взаимозаменяема с деталью, выпущенной ранее под этим же номером | | ОКПО класс | 45 Изделия автомобильной промышленности | | ОКПО подкласс | 3 Агрегаты, узлы и детали автомобилей грузовых, специализированных, автопогрузчиков и кузовов- фургонов специальных | | Вид покрытия | 0 - без покрытия (П) |
| Заявка |
| | 52-5603016-А | Стекло окна задка, либо 52-5603016 ПодробнееДополнительная информация:| Кол-во на 52-02, 52-04 | 1 | | Модель | 52 | | Группа | Задок кабины (задок кузова) | | Подгруппа | Окно задка | | Порядковый номер детали | 016 | | Дополнительно | Взаимозаменяема с деталью, выпущенной ранее под этим же номером | | ОКПО класс | 45 Изделия автомобильной промышленности | | ОКПО подкласс | 3 Агрегаты, узлы и детали автомобилей грузовых, специализированных, автопогрузчиков и кузовов- фургонов специальных | | Вид покрытия | 0 - без покрытия (П) |
| Заявка |
| | | Пистон крепления средней обивки задка в сборе ПодробнееДополнительная информация: | Заявка |
| | | Пистон крепления средней обивки задка в сборе ПодробнееДополнительная информация: | Заявка |
| | 81Б-5302250 | Пистон крепления изоляции щитка передка ПодробнееДополнительная информация:| Кол-во на 52-02, 52-04 | 8 | | Модель | 81Р‘ | | Группа | Передок кабины | | Подгруппа | Обивка передка | | Порядковый номер детали | 250 | | ОКПО класс | 45 Изделия автомобильной промышленности | | ОКПО подкласс | 3 Агрегаты, узлы и детали автомобилей грузовых, специализированных, автопогрузчиков и кузовов- фургонов специальных | | Вид покрытия | 3 - многослойное медь-никель (никелирование и полировка (П6) |
| Заявка |
| | 52-5702010 | Обивка крыши в сборе ПодробнееДополнительная информация:| Кол-во на 52-02, 52-04 | 1 | | Модель | 52 | | Группа | Крыша кабины (кузова) | | Подгруппа | Обивка крыши внутренняя | | Порядковый номер детали | 010 | | ОКПО класс | 45 Изделия автомобильной промышленности | | ОКПО подкласс | 3 Агрегаты, узлы и детали автомобилей грузовых, специализированных, автопогрузчиков и кузовов- фургонов специальных | | Вид покрытия | 0 - без покрытия (П) |
| Заявка |
| | 53А-5602010 | Обивка задка средняя в сборе ПодробнееДополнительная информация:| Кол-во на 52-02, 52-04 | 1 | | Модель | 53Рђ | | Группа | Задок кабины (задок кузова) | | Подгруппа | Обивка (полки) задка | | Порядковый номер детали | 010 | | ОКПО класс | 45 Изделия автомобильной промышленности | | ОКПО подкласс | 3 Агрегаты, узлы и детали автомобилей грузовых, специализированных, автопогрузчиков и кузовов- фургонов специальных | | Вид изделия | 30-39 - болты | | Вид покрытия | 3 - многослойное медь-никель (никелирование и полировка (П6) |
| Заявка |
| | 52-5602014 | Обивка задка правая ПодробнееДополнительная информация:| Кол-во на 52-02, 52-04 | 1 | | Модель | 52 | | Группа | Задок кабины (задок кузова) | | Подгруппа | Обивка (полки) задка | | Порядковый номер детали | 014 | | ОКПО класс | 45 Изделия автомобильной промышленности | | ОКПО подкласс | 3 Агрегаты, узлы и детали автомобилей грузовых, специализированных, автопогрузчиков и кузовов- фургонов специальных | | Вид покрытия | 0 - без покрытия (П) |
| Заявка |
| | 52-5602015 | Обивка задка левая ПодробнееДополнительная информация:| Кол-во на 52-02, 52-04 | 1 | | Модель | 52 | | Группа | Задок кабины (задок кузова) | | Подгруппа | Обивка (полки) задка | | Порядковый номер детали | 015 | | ОКПО класс | 45 Изделия автомобильной промышленности | | ОКПО подкласс | 3 Агрегаты, узлы и детали автомобилей грузовых, специализированных, автопогрузчиков и кузовов- фургонов специальных | | Вид покрытия | 0 - без покрытия (П) |
| Заявка |
| | 52-5602012 | Обивка задка правая в сборе ПодробнееДополнительная информация:| Кол-во на 52-02, 52-04 | 1 | | Модель | 52 | | Группа | Задок кабины (задок кузова) | | Подгруппа | Обивка (полки) задка | | Порядковый номер детали | 012 | | ОКПО класс | 45 Изделия автомобильной промышленности | | ОКПО подкласс | 3 Агрегаты, узлы и детали автомобилей грузовых, специализированных, автопогрузчиков и кузовов- фургонов специальных | | Вид покрытия | 0 - без покрытия (П) |
| Заявка |
| | 52-5602013 | Обивка задка левая в сборе ПодробнееДополнительная информация:| Кол-во на 52-02, 52-04 | 1 | | Модель | 52 | | Группа | Задок кабины (задок кузова) | | Подгруппа | Обивка (полки) задка | | Порядковый номер детали | 013 | | ОКПО класс | 45 Изделия автомобильной промышленности | | ОКПО подкласс | 3 Агрегаты, узлы и детали автомобилей грузовых, специализированных, автопогрузчиков и кузовов- фургонов специальных | | Вид покрытия | 0 - без покрытия (П) |
| Заявка |
| | 52-04-5109014 | Коврик пола ПодробнееДополнительная информация:| Кол-во на 52-02, 52-04 | 1 | | Модель | 52-04 | | Группа | Детали основания (пола) кабины (Пол кузова) | | Подгруппа | Коврики пола (багажника) | | Порядковый номер детали | 014 | | ОКПО класс | 45 Изделия автомобильной промышленности | | ОКПО подкласс | 3 Агрегаты, узлы и детали автомобилей грузовых, специализированных, автопогрузчиков и кузовов- фургонов специальных | | Вид покрытия | 1 - цинковое с хроматированием (цинкование и пассивирование(П29) |
| Заявка |
| | 52-04-5000010 | Кабина в сборе (для запасных частей) ПодробнееДополнительная информация:| Кол-во на 52-02, 52-04 | 1 | | Модель | 52-04 | | Группа | Кабина (Кузов) | | Подгруппа | Кабина (кузов) в сборе | | Порядковый номер детали | 010 | | ОКПО класс | 45 Изделия автомобильной промышленности | | ОКПО подкласс | 3 Агрегаты, узлы и детали автомобилей грузовых, специализированных, автопогрузчиков и кузовов- фургонов специальных | | Вид покрытия | 1 - цинковое с хроматированием (цинкование и пассивирование(П29) |
| Заявка |
| | 52-04-5000012 | Кабина в сборе окрашенная и обитая ПодробнееДополнительная информация:| Кол-во на 52-02, 52-04 | 1 | | Модель | 52-04 | | Группа | Кабина (Кузов) | | Подгруппа | Кабина (кузов) в сборе | | Порядковый номер детали | 012 | | ОКПО класс | 45 Изделия автомобильной промышленности | | ОКПО подкласс | 3 Агрегаты, узлы и детали автомобилей грузовых, специализированных, автопогрузчиков и кузовов- фургонов специальных | | Вид покрытия | 1 - цинковое с хроматированием (цинкование и пассивирование(П29) |
| Заявка |
| | 53-5000016 | Кабина в сборе бондеризованная грунтованная с обмазкой ПодробнееДополнительная информация:| Кол-во на 52-02, 52-04 | 1 | | Модель | 53 | | Группа | Кабина (Кузов) | | Подгруппа | Кабина (кузов) в сборе | | Порядковый номер детали | 016 | | ОКПО класс | 45 Изделия автомобильной промышленности | | ОКПО подкласс | 3 Агрегаты, узлы и детали автомобилей грузовых, специализированных, автопогрузчиков и кузовов- фургонов специальных | | Вид изделия | 30-39 - болты | | Вид покрытия | 1 - цинковое с хроматированием (цинкование и пассивирование(П29) |
| Заявка |
| | 52-5302102-Б | Изоляция щитка передка в сборе ПодробнееДополнительная информация:| Кол-во на 52-02, 52-04 | 1 | | Модель | 52 | | Группа | Передок кабины | | Подгруппа | Обивка передка | | Порядковый номер детали | 102 | | Дополнительно | Взаимозаменяема с деталью, выпущенной ранее под этим же номером | | ОКПО класс | 45 Изделия автомобильной промышленности | | ОКПО подкласс | 3 Агрегаты, узлы и детали автомобилей грузовых, специализированных, автопогрузчиков и кузовов- фургонов специальных | | Вид покрытия | 0 - без покрытия (П) |
| Заявка |
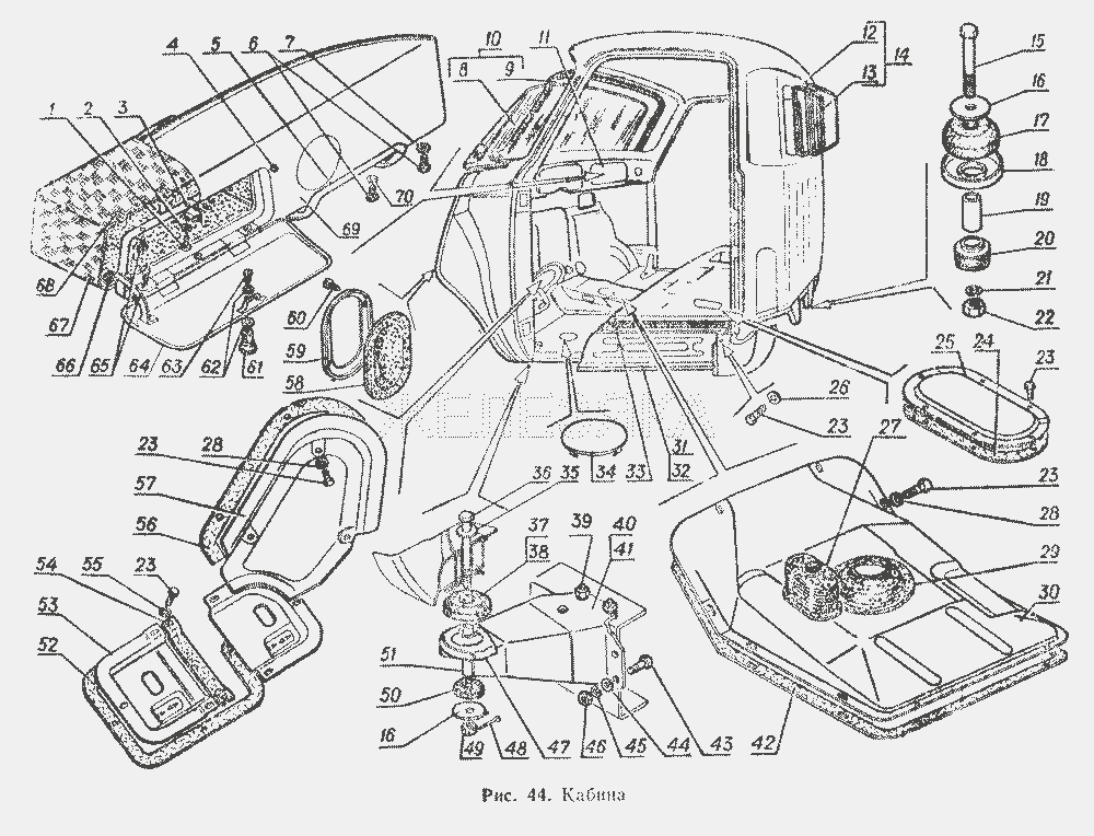
| 1 | 240820-П29 | Винт М4х18 ОСТ 37.001.188-81 ПодробнееДополнительная информация:| Кол-во на 52-02, 52-04 | 2 | | Покрытие | цинкование и пассивирование (цинковое с хроматированием) |
| Заявка |
| 2 | 252232-П29 | Шайба 4 ПодробнееДополнительная информация:| Кол-во на 52-02, 52-04 | 2 | | Покрытие | цинкование и пассивирование (цинковое с хроматированием) |
| Заявка |
| 3 | 52-5303074 | Упор замка вещевого ящика ПодробнееДополнительная информация:| Кол-во на 52-02, 52-04 | 1 | | Модель | 52 | | Группа | Передок кабины | | Подгруппа | Ящик вещевой | | Порядковый номер детали | 074 | | ОКПО класс | 45 Изделия автомобильной промышленности | | ОКПО подкласс | 3 Агрегаты, узлы и детали автомобилей грузовых, специализированных, автопогрузчиков и кузовов- фургонов специальных | | Вид покрытия | 0 - без покрытия (П) |
| Заявка |
| 5 | 53-5301144 | Поручень передка ПодробнееДополнительная информация:| Кол-во на 52-02, 52-04 | 1 | | Модель | 53 | | Группа | Передок кабины | | Подгруппа | Каркас и панели передка | | Порядковый номер детали | 144 | | ОКПО класс | 45 Изделия автомобильной промышленности | | ОКПО подкласс | 3 Агрегаты, узлы и детали автомобилей грузовых, специализированных, автопогрузчиков и кузовов- фургонов специальных | | Вид изделия | 30-39 - болты | | Вид покрытия | 1 - цинковое с хроматированием (цинкование и пассивирование(П29) |
| Заявка |
| 6 | 201455-П8 | Болт М8-6gх18 ПодробнееДополнительная информация:| Кол-во на 52-02, 52-04 | 2 | | Покрытие | цинкование |
| Заявка |
| 6 | 201455-П8 | Болт М8-6gх18 ПодробнееДополнительная информация:| Кол-во на 52-02, 52-04 | 4 | | Покрытие | цинкование |
| Заявка |
| 7 | 293270-П29 | Шайба 8,2 ПодробнееДополнительная информация:| Кол-во на 52-02, 52-04 | 4 | | Покрытие | цинкование и пассивирование (цинковое с хроматированием) |
| Заявка |
| 8 | 52-5206010 | Стекло ветрового окна, либо 52-5206010-А ПодробнееДополнительная информация:| Кол-во на 52-02, 52-04 | 1 | | Модель | 52 | | Группа | Окно ветровое | | Подгруппа | Стекла и уплотнение стекла ветрового (детали) | | Порядковый номер детали | 010 | | ОКПО класс | 45 Изделия автомобильной промышленности | | ОКПО подкласс | 3 Агрегаты, узлы и детали автомобилей грузовых, специализированных, автопогрузчиков и кузовов- фургонов специальных | | Вид покрытия | 0 - без покрытия (П) |
| Заявка |
| 9 | 52-5206050 | Уплотнитель ветрового окна ПодробнееДополнительная информация:| Кол-во на 52-02, 52-04 | 1 | | Модель | 52 | | Группа | Окно ветровое | | Подгруппа | Стекла и уплотнение стекла ветрового (детали) | | Порядковый номер детали | 050 | | ОКПО класс | 45 Изделия автомобильной промышленности | | ОКПО подкласс | 3 Агрегаты, узлы и детали автомобилей грузовых, специализированных, автопогрузчиков и кузовов- фургонов специальных | | Вид покрытия | 0 - без покрытия (П) |
| Заявка |
| 10 | 52-5206008 | Стекло ветрового окна в сборе ПодробнееДополнительная информация:| Кол-во на 52-02, 52-04 | 1 | | Модель | 52 | | Группа | Окно ветровое | | Подгруппа | Стекла и уплотнение стекла ветрового (детали) | | Порядковый номер детали | 008 | | ОКПО класс | 45 Изделия автомобильной промышленности | | ОКПО подкласс | 3 Агрегаты, узлы и детали автомобилей грузовых, специализированных, автопогрузчиков и кузовов- фургонов специальных | | Вид покрытия | 0 - без покрытия (П) |
| Заявка |
| 11 | 52-5303008 | Дверца вещевого ящика с ручкой в сборе ПодробнееДополнительная информация:| Кол-во на 52-02, 52-04 | 1 | | Модель | 52 | | Группа | Передок кабины | | Подгруппа | Ящик вещевой | | Порядковый номер детали | 008 | | ОКПО класс | 45 Изделия автомобильной промышленности | | ОКПО подкласс | 3 Агрегаты, узлы и детали автомобилей грузовых, специализированных, автопогрузчиков и кузовов- фургонов специальных | | Вид покрытия | 0 - без покрытия (П) |
| Заявка |
| 12 | 52-5603018 | Уплотнитель стекла окна задка ПодробнееДополнительная информация:| Кол-во на 52-02, 52-04 | 1 | | Модель | 52 | | Группа | Задок кабины (задок кузова) | | Подгруппа | Окно задка | | Порядковый номер детали | 018 | | ОКПО класс | 45 Изделия автомобильной промышленности | | ОКПО подкласс | 3 Агрегаты, узлы и детали автомобилей грузовых, специализированных, автопогрузчиков и кузовов- фургонов специальных | | Вид покрытия | 0 - без покрытия (П) |
| Заявка |
| 13 | 52-5603016 | Стекло окна задка, либо 52-5603016-А ПодробнееДополнительная информация:| Кол-во на 52-02, 52-04 | 1 | | Модель | 52 | | Группа | Задок кабины (задок кузова) | | Подгруппа | Окно задка | | Порядковый номер детали | 016 | | ОКПО класс | 45 Изделия автомобильной промышленности | | ОКПО подкласс | 3 Агрегаты, узлы и детали автомобилей грузовых, специализированных, автопогрузчиков и кузовов- фургонов специальных | | Вид покрытия | 0 - без покрытия (П) |
| Заявка |
| 14 | 52-5603014 | Стекло окна задка в сборе ПодробнееДополнительная информация:| Кол-во на 52-02, 52-04 | 1 | | Модель | 52 | | Группа | Задок кабины (задок кузова) | | Подгруппа | Окно задка | | Порядковый номер детали | 014 | | ОКПО класс | 45 Изделия автомобильной промышленности | | ОКПО подкласс | 3 Агрегаты, узлы и детали автомобилей грузовых, специализированных, автопогрузчиков и кузовов- фургонов специальных | | Вид покрытия | 0 - без покрытия (П) |
| Заявка |
| 15 | 200375-П29 | Болт М12-6gх80 ПодробнееДополнительная информация:| Кол-во на 52-02, 52-04 | 2 | | Покрытие | цинкование и пассивирование (цинковое с хроматированием) | | ОКПО класс | 45 Изделия автомобильной промышленности | | ОКПО подкласс | 9 Унифицированные узлы, детали и крепежные изделия, применяемые в автомобильной промышленности, и ремонтно-эксплуатационные комплекты | | Вид изделия | 30-39 - болты | | Вид покрытия | 1 - цинковое с хроматированием (цинкование и пассивирование(П29) |
| Заявка |
| 16 | 293353-П29 | Шайба 12,5 ПодробнееДополнительная информация:| Кол-во на 52-02, 52-04 | 2 | | Покрытие | цинкование и пассивирование (цинковое с хроматированием) |
| Заявка |
| 16 | 293353-П29 | Шайба 12,5 ПодробнееДополнительная информация:| Кол-во на 52-02, 52-04 | 2 | | Покрытие | цинкование и пассивирование (цинковое с хроматированием) |
| Заявка |
| 17 | 64-6025-В | Подушка крепления кабины верхняя задняя в сборе ПодробнееДополнительная информация: | Заявка |
| 18 | 51-6041-Б | Гнездо верхней подушки опоры двигателя ПодробнееДополнительная информация: | Заявка |
| 21 | 252137-П29 | Шайба 12 ПодробнееДополнительная информация:| Кол-во на 52-02, 52-04 | 2 | | Покрытие | цинкование и пассивирование (цинковое с хроматированием) | | ОКПО класс | 45 Изделия автомобильной промышленности | | ОКПО подкласс | 9 Унифицированные узлы, детали и крепежные изделия, применяемые в автомобильной промышленности, и ремонтно-эксплуатационные комплекты | | Вид изделия | 80-81 - шайбы | | Вид покрытия | 1 - цинковое с хроматированием (цинкование и пассивирование(П29) |
| Заявка |
| 22 | 250514-П29 | Гайка М12-6Н ОСТ 37.001.124-93 ПодробнееДополнительная информация:| Кол-во на 52-02, 52-04 | 2 | | Покрытие | цинкование и пассивирование (цинковое с хроматированием) |
| Заявка |
| 23 | 290513-П29 | Болт М8-6gх20 ПодробнееДополнительная информация:| Кол-во на 52-02, 52-04 | 16 | | Покрытие | цинкование и пассивирование (цинковое с хроматированием) |
| Заявка |
| 23 | 290513-П29 | Болт М8-6gх20 ПодробнееДополнительная информация:| Кол-во на 52-02, 52-04 | 7 | | Покрытие | цинкование и пассивирование (цинковое с хроматированием) |
| Заявка |
| 23 | 290513-П29 | Болт М8-6gх20 ПодробнееДополнительная информация:| Кол-во на 52-02, 52-04 | 6 | | Покрытие | цинкование и пассивирование (цинковое с хроматированием) |
| Заявка |
| 23 | 290513-П29 | Болт М8-6gх20 ПодробнееДополнительная информация:| Кол-во на 52-02, 52-04 | 4 | | Покрытие | цинкование и пассивирование (цинковое с хроматированием) |
| Заявка |
| 23 | 290513-П29 | Болт М8-6gх20 ПодробнееДополнительная информация:| Кол-во на 52-02, 52-04 | 6 | | Покрытие | цинкование и пассивирование (цинковое с хроматированием) |
| Заявка |
| 24 | 21-5101368-А | Прокладка крышки ПодробнееДополнительная информация:| Кол-во на 52-02, 52-04 | 1 | | Модель | 21 | | Группа | Детали основания (пола) кабины (Пол кузова) | | Подгруппа | Детали пола (основание кузова или пол) | | Порядковый номер детали | 368 | | Дополнительно | Взаимозаменяема с деталью, выпущенной ранее под этим же номером |
| Заявка |
| 26 | 252174-П29 | Шайба 2-6 ОСТ 37.001.145-75 ПодробнееДополнительная информация:| Кол-во на 52-02, 52-04 | 16 | | Покрытие | цинкование и пассивирование (цинковое с хроматированием) |
| Заявка |
| 27 | 52-5107080 | Уплотнитель кожуха пола под рычаг ручного тормоза ПодробнееДополнительная информация:| Кол-во на 52-02, 52-04 | 1 | | Модель | 52 | | Группа | Детали основания (пола) кабины (Пол кузова) | | Подгруппа | Кожух пола | | Порядковый номер детали | 080 | | ОКПО класс | 45 Изделия автомобильной промышленности | | ОКПО подкласс | 3 Агрегаты, узлы и детали автомобилей грузовых, специализированных, автопогрузчиков и кузовов- фургонов специальных | | Вид покрытия | 0 - без покрытия (П) |
| Заявка |
| 28 | 252004-П8 | Шайба 6 ПодробнееДополнительная информация:| Кол-во на 52-02, 52-04 | 4 | | Покрытие | цинкование |
| Заявка |
| 28 | 252004-П29 | Шайба 6 ОСТ 37.001.144-96 ПодробнееДополнительная информация:| Кол-во на 52-02, 52-04 | 10 | | Покрытие | цинкование и пассивирование (цинковое с хроматированием) |
| Заявка |
| 29 | 52-5107090 | Уплотнитель кожуха пола под головку коробки перемены передач ПодробнееДополнительная информация:| Кол-во на 52-02, 52-04 | 1 | | Модель | 52 | | Группа | Детали основания (пола) кабины (Пол кузова) | | Подгруппа | Кожух пола | | Порядковый номер детали | 090 | | ОКПО класс | 45 Изделия автомобильной промышленности | | ОКПО подкласс | 3 Агрегаты, узлы и детали автомобилей грузовых, специализированных, автопогрузчиков и кузовов- фургонов специальных | | Вид покрытия | 0 - без покрытия (П) |
| Заявка |
| 30 | 52-04-5107022 | Кожух пола ПодробнееДополнительная информация:| Кол-во на 52-02, 52-04 | 1 | | Модель | 52-04 | | Группа | Детали основания (пола) кабины (Пол кузова) | | Подгруппа | Кожух пола | | Порядковый номер детали | 022 | | ОКПО класс | 45 Изделия автомобильной промышленности | | ОКПО подкласс | 3 Агрегаты, узлы и детали автомобилей грузовых, специализированных, автопогрузчиков и кузовов- фургонов специальных | | Вид покрытия | 1 - цинковое с хроматированием (цинкование и пассивирование(П29) |
| Заявка |
| 31 | 53-5101838 | Щиток порога пола правый в сборе ПодробнееДополнительная информация:| Кол-во на 52-02, 52-04 | 1 | | Модель | 53 | | Группа | Детали основания (пола) кабины (Пол кузова) | | Подгруппа | Детали пола (основание кузова или пол) | | Порядковый номер детали | 838 | | ОКПО класс | 45 Изделия автомобильной промышленности | | ОКПО подкласс | 3 Агрегаты, узлы и детали автомобилей грузовых, специализированных, автопогрузчиков и кузовов- фургонов специальных | | Вид изделия | 30-39 - болты | | Вид покрытия | 1 - цинковое с хроматированием (цинкование и пассивирование(П29) |
| Заявка |
| 32 | 53-5101839 | Щиток порога пола левый в сборе ПодробнееДополнительная информация:| Кол-во на 52-02, 52-04 | 1 | | Модель | 53 | | Группа | Детали основания (пола) кабины (Пол кузова) | | Подгруппа | Детали пола (основание кузова или пол) | | Порядковый номер детали | 839 | | ОКПО класс | 45 Изделия автомобильной промышленности | | ОКПО подкласс | 3 Агрегаты, узлы и детали автомобилей грузовых, специализированных, автопогрузчиков и кузовов- фургонов специальных | | Вид изделия | 30-39 - болты | | Вид покрытия | 1 - цинковое с хроматированием (цинкование и пассивирование(П29) |
| Заявка |
| 33 | 53-5101844 | Прокладка щитка порога пола ПодробнееДополнительная информация:| Кол-во на 52-02, 52-04 | 2 | | Модель | 53 | | Группа | Детали основания (пола) кабины (Пол кузова) | | Подгруппа | Детали пола (основание кузова или пол) | | Порядковый номер детали | 844 | | ОКПО класс | 45 Изделия автомобильной промышленности | | ОКПО подкласс | 3 Агрегаты, узлы и детали автомобилей грузовых, специализированных, автопогрузчиков и кузовов- фургонов специальных | | Вид изделия | 30-39 - болты | | Вид покрытия | 1 - цинковое с хроматированием (цинкование и пассивирование(П29) |
| Заявка |
| 34 | 76-5101102-А | Заглушка отверстия в крышке пола в сборе ПодробнееДополнительная информация:| Кол-во на 52-02, 52-04 | 1 | | Модель | 76 | | Группа | Детали основания (пола) кабины (Пол кузова) | | Подгруппа | Детали пола (основание кузова или пол) | | Порядковый номер детали | 102 | | Дополнительно | Взаимозаменяема с деталью, выпущенной ранее под этим же номером | | ОКПО класс | 45 Изделия автомобильной промышленности | | ОКПО подкласс | 4 Агрегаты, узлы и детали автомобилей легковых, мотоциклов, велосипедов и электромобилей | | Вид изделия | 30-39 - болты | | Вид покрытия | 1 - цинковое с хроматированием (цинкование и пассивирование(П29) |
| Заявка |
| 34 | 76-5101102-А | Заглушка отверстия в крышке пола в сборе ПодробнееДополнительная информация:| Кол-во на 52-02, 52-04 | 1 | | Модель | 76 | | Группа | Детали основания (пола) кабины (Пол кузова) | | Подгруппа | Детали пола (основание кузова или пол) | | Порядковый номер детали | 102 | | Дополнительно | Взаимозаменяема с деталью, выпущенной ранее под этим же номером | | ОКПО класс | 45 Изделия автомобильной промышленности | | ОКПО подкласс | 4 Агрегаты, узлы и детали автомобилей легковых, мотоциклов, велосипедов и электромобилей | | Вид изделия | 30-39 - болты | | Вид покрытия | 1 - цинковое с хроматированием (цинкование и пассивирование(П29) |
| Заявка |
| 35 | 252045-П29 | Шайба 12 ОСТ 37.001.144-96 ПодробнееДополнительная информация:| Кол-во на 52-02, 52-04 | 2 | | Покрытие | цинкование и пассивирование (цинковое с хроматированием) |
| Заявка |
| 36 | 290962-П29 | Болт М12х1,25х102 переднего крепления кабины ПодробнееДополнительная информация:| Кол-во на 52-02, 52-04 | 2 | | Покрытие | цинкование и пассивирование (цинковое с хроматированием) | | ОКПО класс | 45 Изделия автомобильной промышленности | | ОКПО подкласс | 9 Унифицированные узлы, детали и крепежные изделия, применяемые в автомобильной промышленности, и ремонтно-эксплуатационные комплекты | | Вид изделия | 90-99 - детали, соединяющие трубопроводы, резьбовые пробки | | Вид покрытия | 1 - цинковое с хроматированием (цинкование и пассивирование(П29) |
| Заявка |
| 37 | 52-5001036 | Прокладка крепления кабины верхняя правая ПодробнееДополнительная информация:| Кол-во на 52-02, 52-04 | 1 | | Модель | 52 | | Группа | Кабина (Кузов) | | Подгруппа | Крепление кабины (кузова) | | Порядковый номер детали | 036 | | ОКПО класс | 45 Изделия автомобильной промышленности | | ОКПО подкласс | 3 Агрегаты, узлы и детали автомобилей грузовых, специализированных, автопогрузчиков и кузовов- фургонов специальных | | Вид покрытия | 0 - без покрытия (П) |
| Заявка |
| 38 | 52-5001037 | Прокладка крепления кабины верхняя левая ПодробнееДополнительная информация:| Кол-во на 52-02, 52-04 | 1 | | Модель | 52 | | Группа | Кабина (Кузов) | | Подгруппа | Крепление кабины (кузова) | | Порядковый номер детали | 037 | | ОКПО класс | 45 Изделия автомобильной промышленности | | ОКПО подкласс | 3 Агрегаты, узлы и детали автомобилей грузовых, специализированных, автопогрузчиков и кузовов- фургонов специальных | | Вид покрытия | 0 - без покрытия (П) |
| Заявка |
 | 39 | 201499-П29 | Болт М10-6gх30 ОСТ 37.001.123-96 ПодробнееДополнительная информация:| Кол-во на 52-02, 52-04 | 5 | | Покрытие | цинкование и пассивирование (цинковое с хроматированием) |
| Заявка |
| 40 | 53А-5001012 | Кронштейн крепления кабины передний правый ПодробнееДополнительная информация:| Кол-во на 52-02, 52-04 | 1 | | Модель | 53Рђ | | Группа | Кабина (Кузов) | | Подгруппа | Крепление кабины (кузова) | | Порядковый номер детали | 012 | | ОКПО класс | 45 Изделия автомобильной промышленности | | ОКПО подкласс | 3 Агрегаты, узлы и детали автомобилей грузовых, специализированных, автопогрузчиков и кузовов- фургонов специальных | | Вид изделия | 30-39 - болты | | Вид покрытия | 1 - цинковое с хроматированием (цинкование и пассивирование(П29) |
| Заявка |
| 41 | 53А-5001013 | Кронштейн крепления кабины передний левый ПодробнееДополнительная информация:| Кол-во на 52-02, 52-04 | 1 | | Модель | 53Рђ | | Группа | Кабина (Кузов) | | Подгруппа | Крепление кабины (кузова) | | Порядковый номер детали | 013 | | ОКПО класс | 45 Изделия автомобильной промышленности | | ОКПО подкласс | 3 Агрегаты, узлы и детали автомобилей грузовых, специализированных, автопогрузчиков и кузовов- фургонов специальных | | Вид изделия | 30-39 - болты | | Вид покрытия | 1 - цинковое с хроматированием (цинкование и пассивирование(П29) |
| Заявка |
| 42 | 52-5107028 | Прокладка кожуха пола ПодробнееДополнительная информация:| Кол-во на 52-02, 52-04 | 1 | | Модель | 52 | | Группа | Детали основания (пола) кабины (Пол кузова) | | Подгруппа | Кожух пола | | Порядковый номер детали | 028 | | ОКПО класс | 45 Изделия автомобильной промышленности | | ОКПО подкласс | 3 Агрегаты, узлы и детали автомобилей грузовых, специализированных, автопогрузчиков и кузовов- фургонов специальных | | Вид покрытия | 0 - без покрытия (П) |
| Заявка |
| 43 | 201501-П29 | Болт М10-6gх35 ОСТ 37.001.123-96 ПодробнееДополнительная информация:| Кол-во на 52-02, 52-04 | 3 | | Покрытие | цинкование и пассивирование (цинковое с хроматированием) |
| Заявка |
| 44 | 252006-П29 | Шайба 10 ОСТ 37.001.144-96 ПодробнееДополнительная информация:| Кол-во на 52-02, 52-04 | 5 | | Покрытие | цинкование и пассивирование (цинковое с хроматированием) |
| Заявка |
| 45 | 252136-П29 | Шайба 10Т ПодробнееДополнительная информация:| Кол-во на 52-02, 52-04 | 8 | | Покрытие | цинкование и пассивирование (цинковое с хроматированием) | | ОКПО класс | 45 Изделия автомобильной промышленности | | ОКПО подкласс | 9 Унифицированные узлы, детали и крепежные изделия, применяемые в автомобильной промышленности, и ремонтно-эксплуатационные комплекты | | Вид изделия | 80-81 - шайбы | | Вид покрытия | 1 - цинковое с хроматированием (цинкование и пассивирование(П29) |
| Заявка |
| 46 | 250512-П29 | Гайка М10-6Н ОСТ 37.001.124-93 ПодробнееДополнительная информация:| Кол-во на 52-02, 52-04 | 8 | | Покрытие | цинкование и пассивирование (цинковое с хроматированием) |
| Заявка |
| 47 | 52-5001016 | Гнездо прокладки на кронштейне ПодробнееДополнительная информация:| Кол-во на 52-02, 52-04 | 2 | | Модель | 52 | | Группа | Кабина (Кузов) | | Подгруппа | Крепление кабины (кузова) | | Порядковый номер детали | 016 | | ОКПО класс | 45 Изделия автомобильной промышленности | | ОКПО подкласс | 3 Агрегаты, узлы и детали автомобилей грузовых, специализированных, автопогрузчиков и кузовов- фургонов специальных | | Вид покрытия | 0 - без покрытия (П) |
| Заявка |
| 48 | 258040-П29 | Шплинт 3,2х25 ОСТ 37.001.171-93 ПодробнееДополнительная информация:| Кол-во на 52-02, 52-04 | 2 | | Покрытие | цинкование и пассивирование (цинковое с хроматированием) |
| Заявка |
| 49 | 250977-П29 | Гайка М12х1,25-6Н ОСТ 37.001.108-93 ПодробнееДополнительная информация:| Кол-во на 52-02, 52-04 | 2 | | Покрытие | цинкование и пассивирование (цинковое с хроматированием) |
| Заявка |
| 50 | 52-5001010-Б | Прокладка крепления кабины нижняя ПодробнееДополнительная информация:| Кол-во на 52-02, 52-04 | 2 | | Модель | 52 | | Группа | Кабина (Кузов) | | Подгруппа | Крепление кабины (кузова) | | Порядковый номер детали | 010 | | Дополнительно | Взаимозаменяема с деталью, выпущенной ранее под этим же номером | | ОКПО класс | 45 Изделия автомобильной промышленности | | ОКПО подкласс | 3 Агрегаты, узлы и детали автомобилей грузовых, специализированных, автопогрузчиков и кузовов- фургонов специальных | | Вид покрытия | 0 - без покрытия (П) |
| Заявка |
| 51 | 52-5001082 | Втулка распорная крепления кабины к раме ПодробнееДополнительная информация:| Кол-во на 52-02, 52-04 | 2 | | Модель | 52 | | Группа | Кабина (Кузов) | | Подгруппа | Крепление кабины (кузова) | | Порядковый номер детали | 082 | | ОКПО класс | 45 Изделия автомобильной промышленности | | ОКПО подкласс | 3 Агрегаты, узлы и детали автомобилей грузовых, специализированных, автопогрузчиков и кузовов- фургонов специальных | | Вид покрытия | 0 - без покрытия (П) |
| Заявка |
| 52 | 53-5301096 | Прокладка защитной пластины у педалей ПодробнееДополнительная информация:| Кол-во на 52-02, 52-04 | 1 | | Модель | 53 | | Группа | Передок кабины | | Подгруппа | Каркас и панели передка | | Порядковый номер детали | 096 | | ОКПО класс | 45 Изделия автомобильной промышленности | | ОКПО подкласс | 3 Агрегаты, узлы и детали автомобилей грузовых, специализированных, автопогрузчиков и кузовов- фургонов специальных | | Вид изделия | 30-39 - болты | | Вид покрытия | 1 - цинковое с хроматированием (цинкование и пассивирование(П29) |
| Заявка |
| 53 | 52-5301093 | Пластина защитная у педалей левая в сборе ПодробнееДополнительная информация:| Кол-во на 52-02, 52-04 | 1 | | Модель | 52 | | Группа | Передок кабины | | Подгруппа | Каркас и панели передка | | Порядковый номер детали | 093 | | ОКПО класс | 45 Изделия автомобильной промышленности | | ОКПО подкласс | 3 Агрегаты, узлы и детали автомобилей грузовых, специализированных, автопогрузчиков и кузовов- фургонов специальных | | Вид покрытия | 0 - без покрытия (П) |
| Заявка |
| 54 | 81-5301098-Б1 | Прокладка защитной пластины у педалей средняя ПодробнееДополнительная информация:| Кол-во на 52-02, 52-04 | 1 | | Модель | 81 | | Группа | Передок кабины | | Подгруппа | Каркас и панели передка | | Порядковый номер детали | 098 | | Дополнительно | Взаимозаменяема с деталью, выпущенной ранее под этим же номером | | ОКПО класс | 45 Изделия автомобильной промышленности | | ОКПО подкласс | 3 Агрегаты, узлы и детали автомобилей грузовых, специализированных, автопогрузчиков и кузовов- фургонов специальных | | Вид покрытия | 3 - многослойное медь-никель (никелирование и полировка (П6) |
| Заявка |
| 55 | 252037-П8 | Шайба 6 ПодробнееДополнительная информация:| Кол-во на 52-02, 52-04 | 3 | | Покрытие | цинкование |
| Заявка |
| 56 | 53-5301689 | Прокладка крышки монтажного люка передка ПодробнееДополнительная информация:| Кол-во на 52-02, 52-04 | 1 | | Модель | 53 | | Группа | Передок кабины | | Подгруппа | Каркас и панели передка | | Порядковый номер детали | 689 | | ОКПО класс | 45 Изделия автомобильной промышленности | | ОКПО подкласс | 3 Агрегаты, узлы и детали автомобилей грузовых, специализированных, автопогрузчиков и кузовов- фургонов специальных | | Вид изделия | 30-39 - болты | | Вид покрытия | 1 - цинковое с хроматированием (цинкование и пассивирование(П29) |
| Заявка |
| 57 | 53-5301681 | Крышка монтажного люка передка в сборе ПодробнееДополнительная информация:| Кол-во на 52-02, 52-04 | 1 | | Модель | 53 | | Группа | Передок кабины | | Подгруппа | Каркас и панели передка | | Порядковый номер детали | 681 | | ОКПО класс | 45 Изделия автомобильной промышленности | | ОКПО подкласс | 3 Агрегаты, узлы и детали автомобилей грузовых, специализированных, автопогрузчиков и кузовов- фургонов специальных | | Вид изделия | 30-39 - болты | | Вид покрытия | 1 - цинковое с хроматированием (цинкование и пассивирование(П29) |
| Заявка |
| 58 | 52-5301112 | Уплотнитель щитка передка у рулевой колонки ПодробнееДополнительная информация:| Кол-во на 52-02, 52-04 | 1 | | Модель | 52 | | Группа | Передок кабины | | Подгруппа | Каркас и панели передка | | Порядковый номер детали | 112 | | ОКПО класс | 45 Изделия автомобильной промышленности | | ОКПО подкласс | 3 Агрегаты, узлы и детали автомобилей грузовых, специализированных, автопогрузчиков и кузовов- фургонов специальных | | Вид покрытия | 0 - без покрытия (П) |
| Заявка |
| 59 | 52-5301114 | Пластина крепления уплотнителя щитка передка у рулевой колонки ПодробнееДополнительная информация:| Кол-во на 52-02, 52-04 | 1 | | Модель | 52 | | Группа | Передок кабины | | Подгруппа | Каркас и панели передка | | Порядковый номер детали | 114 | | ОКПО класс | 45 Изделия автомобильной промышленности | | ОКПО подкласс | 3 Агрегаты, узлы и детали автомобилей грузовых, специализированных, автопогрузчиков и кузовов- фургонов специальных | | Вид покрытия | 0 - без покрытия (П) |
| Заявка |
| 60 | 240836-П8 | Винт М5х12 ПодробнееДополнительная информация:| Кол-во на 52-02, 52-04 | 4 | | Покрытие | цинкование |
| Заявка |
| 61 | 53А-5303104 | Ручка дверцы вещевого ящика в сборе ПодробнееДополнительная информация:| Кол-во на 52-02, 52-04 | 1 | | Модель | 53Рђ | | Группа | Передок кабины | | Подгруппа | Ящик вещевой | | Порядковый номер детали | 104 | | ОКПО класс | 45 Изделия автомобильной промышленности | | ОКПО подкласс | 3 Агрегаты, узлы и детали автомобилей грузовых, специализированных, автопогрузчиков и кузовов- фургонов специальных | | Вид изделия | 30-39 - болты | | Вид покрытия | 2 - кадмиевое с хроматированием (П21) |
| Заявка |
| 62 | 252173-П29 | Шайба 2-5 ОСТ 37.001.145-75 ПодробнееДополнительная информация:| Кол-во на 52-02, 52-04 | 2 | | Покрытие | цинкование и пассивирование (цинковое с хроматированием) |
| Заявка |
| 63 | 224596-П29 | Винт М5-6gх8 ПодробнееДополнительная информация:| Кол-во на 52-02, 52-04 | 1 | | Покрытие | цинкование и пассивирование (цинковое с хроматированием) | | ОКПО класс | 45 Изделия автомобильной промышленности | | ОКПО подкласс | 9 Унифицированные узлы, детали и крепежные изделия, применяемые в автомобильной промышленности, и ремонтно-эксплуатационные комплекты | | Вид изделия | 40-49 - винты | | Вид покрытия | 1 - цинковое с хроматированием (цинкование и пассивирование(П29) |
| Заявка |
| 64 | 52-5303016 | Дверца вещевого ящика в сборе ПодробнееДополнительная информация:| Кол-во на 52-02, 52-04 | 1 | | Модель | 52 | | Группа | Передок кабины | | Подгруппа | Ящик вещевой | | Порядковый номер детали | 016 | | ОКПО класс | 45 Изделия автомобильной промышленности | | ОКПО подкласс | 3 Агрегаты, узлы и детали автомобилей грузовых, специализированных, автопогрузчиков и кузовов- фургонов специальных | | Вид покрытия | 1 - цинковое с хроматированием (цинкование и пассивирование(П29) |
| Заявка |
| 65 | 240818-П29 | Винт 4х12 ОСТ 37.001.188-81 ПодробнееДополнительная информация:| Кол-во на 52-02, 52-04 | 3 | | Покрытие | цинкование и пассивирование (цинковое с хроматированием) |
| Заявка |
| 65 | 240818-П29 | Винт 4х12 ОСТ 37.001.188-81 ПодробнееДополнительная информация:| Кол-во на 52-02, 52-04 | 4 | | Покрытие | цинкование и пассивирование (цинковое с хроматированием) |
| Заявка |
| 66 | 52-5303098 | Буфер ограничителя дверцы вещевого ящика ПодробнееДополнительная информация:| Кол-во на 52-02, 52-04 | 1 | | Модель | 52 | | Группа | Передок кабины | | Подгруппа | Ящик вещевой | | Порядковый номер детали | 098 | | ОКПО класс | 45 Изделия автомобильной промышленности | | ОКПО подкласс | 3 Агрегаты, узлы и детали автомобилей грузовых, специализированных, автопогрузчиков и кузовов- фургонов специальных | | Вид покрытия | 0 - без покрытия (П) |
| Заявка |
| 67 | 52-5303012 | Ящик вещевой в сборе ПодробнееДополнительная информация:| Кол-во на 52-02, 52-04 | 1 | | Модель | 52 | | Группа | Передок кабины | | Подгруппа | Ящик вещевой | | Порядковый номер детали | 012 | | ОКПО класс | 45 Изделия автомобильной промышленности | | ОКПО подкласс | 3 Агрегаты, узлы и детали автомобилей грузовых, специализированных, автопогрузчиков и кузовов- фургонов специальных | | Вид покрытия | 0 - без покрытия (П) |
| Заявка |
| 68 | 292647-П29 | Гайка специальная ПодробнееДополнительная информация:| Кол-во на 52-02, 52-04 | 4 | | Покрытие | цинкование и пассивирование (цинковое с хроматированием) | | ОКПО класс | 45 Изделия автомобильной промышленности | | ОКПО подкласс | 9 Унифицированные узлы, детали и крепежные изделия, применяемые в автомобильной промышленности, и ремонтно-эксплуатационные комплекты | | Вид изделия | 90-99 - детали, соединяющие трубопроводы, резьбовые пробки | | Вид покрытия | 4 - многослойное медь-никель-хром (хромирование блестящее с полировкой (П13) |
| Заявка |
| 68 | 292647-П29 | Гайка специальная ПодробнееДополнительная информация:| Кол-во на 52-02, 52-04 | 3 | | Покрытие | цинкование и пассивирование (цинковое с хроматированием) | | ОКПО класс | 45 Изделия автомобильной промышленности | | ОКПО подкласс | 9 Унифицированные узлы, детали и крепежные изделия, применяемые в автомобильной промышленности, и ремонтно-эксплуатационные комплекты | | Вид изделия | 90-99 - детали, соединяющие трубопроводы, резьбовые пробки | | Вид покрытия | 4 - многослойное медь-никель-хром (хромирование блестящее с полировкой (П13) |
| Заявка |
| 68 | 292647-П29 | Гайка специальная ПодробнееДополнительная информация:| Кол-во на 52-02, 52-04 | 2 | | Покрытие | цинкование и пассивирование (цинковое с хроматированием) | | ОКПО класс | 45 Изделия автомобильной промышленности | | ОКПО подкласс | 9 Унифицированные узлы, детали и крепежные изделия, применяемые в автомобильной промышленности, и ремонтно-эксплуатационные комплекты | | Вид изделия | 90-99 - детали, соединяющие трубопроводы, резьбовые пробки | | Вид покрытия | 4 - многослойное медь-никель-хром (хромирование блестящее с полировкой (П13) |
| Заявка |
| 69 | 53-5301126 | Панель приборов в сборе ПодробнееДополнительная информация:| Кол-во на 52-02, 52-04 | 1 | | Модель | 53 | | Группа | Передок кабины | | Подгруппа | Каркас и панели передка | | Порядковый номер детали | 126 | | ОКПО класс | 45 Изделия автомобильной промышленности | | ОКПО подкласс | 3 Агрегаты, узлы и детали автомобилей грузовых, специализированных, автопогрузчиков и кузовов- фургонов специальных | | Вид изделия | 30-39 - болты | | Вид покрытия | 1 - цинковое с хроматированием (цинкование и пассивирование(П29) |
| Заявка |
| 70 | 252155-П2 | Шайба 8Л ОСТ 37.001.115-75 ПодробнееДополнительная информация:| Кол-во на 52-02, 52-04 | 2 | | Покрытие | фосфатирование и промасливание |
| Заявка |