| | № | Номер детали | Наименование детали | |
|---|
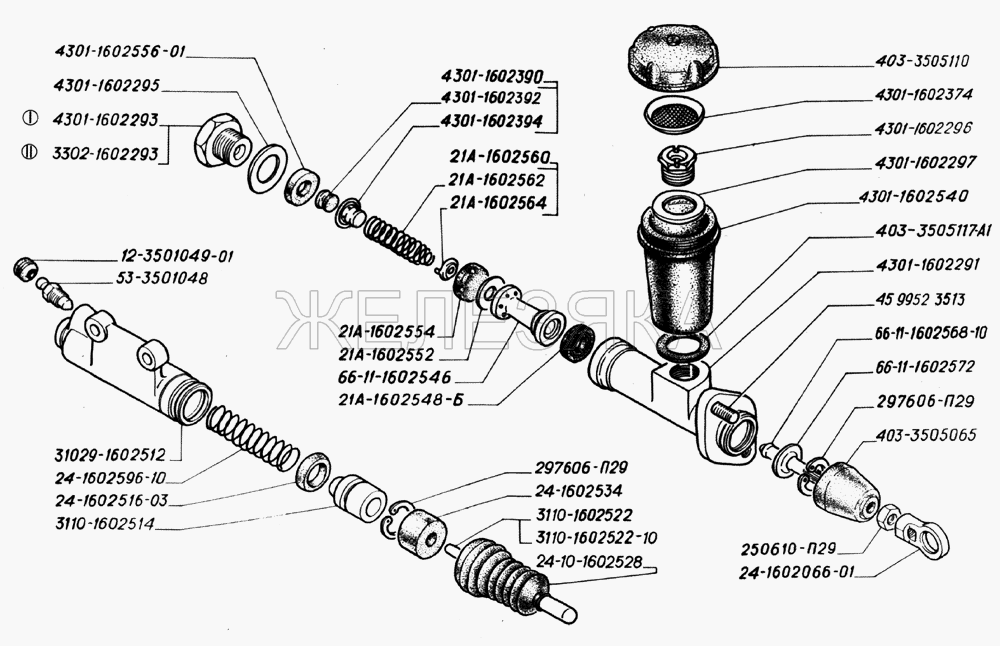
| | 297606-П29 | Кольцо В25 ПодробнееДополнительная информация:| Покрытие | цинкование и пассивирование (цинковое с хроматированием) |
| Заявка |
| | 45 9952 3513 | Шпилька М8х 1-4hх 20 ПодробнееДополнительная информация: | Заявка |
| | 250610-П29 | Гайка М8-6Н ОСТ 37.001.124-93 ПодробнееДополнительная информация:| Покрытие | цинкование и пассивирование (цинковое с хроматированием) |
| Заявка |
| | 403-3505117-А1 | Прокладка бачка ПодробнееДополнительная информация:| Кол-во на 2705-0000012, 2705-0000014, 2705-0000022, 2705-0000024, 2705-0000032, 2705-0000034, 2705-0000042, 2705-0000044 | 1 | | Модель | 403 | | Группа | Тормоза | | Подгруппа | Цилиндр главный тормоза (гидротормозов) | | Порядковый номер детали | 117 | | Дополнительно | Взаимозаменяема с деталью, выпущенной ранее под этим же номером | | ОКПО класс | 45 Изделия автомобильной промышленности | | ОКПО подкласс | 4 Агрегаты, узлы и детали автомобилей легковых, мотоциклов, велосипедов и электромобилей | | Вид покрытия | 1 - цинковое с хроматированием (цинкование и пассивирование(П29) |
| Заявка |
| | | Крышка бачка главного цилиндра сцепления ПодробнееДополнительная информация: | Заявка |
| | | Колпак защитный главного цилиндра тормоза ПодробнееДополнительная информация: | Заявка |
| | | Колпачок клапана ПодробнееДополнительная информация: | Заявка |
| | | Клапан прокачки колесного цилиндра ПодробнееДополнительная информация: | Заявка |
| | 24-1602596-10 | Пружина рабочего цилиндра сцепления ПодробнееДополнительная информация:| Кол-во на 2705-0000012, 2705-0000014, 2705-0000022, 2705-0000024, 2705-0000032, 2705-0000034, 2705-0000042, 2705-0000044 | 1 | | Модель | 24 | | Группа | Сцепление | | Подгруппа | Педаль и привод управления сцеплением | | Порядковый номер детали | 596 | | Дополнительно | Не взаимозаменяема с деталью, выпущенной ранее под этим же номером |
| Заявка |
| | | Шайба упорная поршня главного цилиндра сцепления ПодробнееДополнительная информация: | Заявка |
| | 66-11-1602568-10 | Толкатель поршня главного цилиндра сцепления ПодробнееДополнительная информация:| Кол-во на 2705-0000012, 2705-0000014, 2705-0000022, 2705-0000024, 2705-0000032, 2705-0000034, 2705-0000042, 2705-0000044 | 1 | | Модель | 66-11 | | Группа | Сцепление | | Подгруппа | Педаль и привод управления сцеплением | | Порядковый номер детали | 568 | | Дополнительно | Не взаимозаменяема с деталью, выпущенной ранее под этим же номером |
| Заявка |
| | | Держатель возвратной пружины поршня главного цилиндра выключения сцепления ПодробнееДополнительная информация: | Заявка |
| | | Пружина возвратная поршня главного цилиндра выключения сцепления ПодробнееДополнительная информация: | Заявка |
| | | Пружина возвратная поршня главного цилиндра выключения сцепления в сборе ПодробнееДополнительная информация: | Заявка |
| | | Кольцо упорное клапана ПодробнееДополнительная информация: | Заявка |
| | | Манжета уплотнительная внутренняя главного цилиндра выключения сцепления ПодробнееДополнительная информация: | Заявка |
| | | Клапан ПодробнееДополнительная информация: | Заявка |
| | 21А-1602548-Б | Манжета уплотнительная поршня главного цилиндра выключения сцепления ПодробнееДополнительная информация:| Кол-во на 2705-0000012, 2705-0000014, 2705-0000022, 2705-0000024, 2705-0000032, 2705-0000034, 2705-0000042, 2705-0000044 | 1 | | Модель | 21Рђ | | Группа | Сцепление | | Подгруппа | Педаль и привод управления сцеплением | | Порядковый номер детали | 548 | | Дополнительно | Взаимозаменяема с деталью, выпущенной ранее под этим же номером |
| Заявка |
| | | Поршень главного цилиндра привода управления сцепления ПодробнееДополнительная информация: | Заявка |
 | | | Корпус бачка главного цилиндра привода сцепления ПодробнееДополнительная информация: | Заявка |
| | | Кольцо защитное ПодробнееДополнительная информация: | Заявка |
| | | Чехол защитный рабочего цилиндра ПодробнееДополнительная информация: | Заявка |
| | 3110-1602522-10 | Толкатель вилки выключения сцепления ПодробнееДополнительная информация:| Кол-во на 2705-0000012, 2705-0000014, 2705-0000022, 2705-0000024, 2705-0000032, 2705-0000034, 2705-0000042, 2705-0000044 | 1 | | Модель | 3110 | | Группа | Сцепление | | Подгруппа | Педаль и привод управления сцеплением | | Порядковый номер детали | 522 | | Дополнительно | Не взаимозаменяема с деталью, выпущенной ранее под этим же номером |
| Заявка |
| | | Толкатель ПодробнееДополнительная информация: | Заявка |
| | | Манжета рабочего цилиндра ПодробнееДополнительная информация: | Заявка |
| | | Поршень ПодробнееДополнительная информация: | Заявка |
| | | Корпус рабочего цилиндра сцепления ПодробнееДополнительная информация: | Заявка |
| | | Обойма клапана ПодробнееДополнительная информация: | Заявка |
| | 4301-1602392 | Клапан главного цилиндра ПодробнееДополнительная информация:| Кол-во на 2705-0000012, 2705-0000014, 2705-0000022, 2705-0000024, 2705-0000032, 2705-0000034, 2705-0000042, 2705-0000044 | 1 | | Модель | 4301 | | Группа | Сцепление | | Подгруппа | Педаль и привод управления сцеплением | | Порядковый номер детали | 392 | | ОКПО класс | 45 Изделия автомобильной промышленности | | ОКПО подкласс | 3 Агрегаты, узлы и детали автомобилей грузовых, специализированных, автопогрузчиков и кузовов- фургонов специальных | | Вид изделия | 30-39 - болты | | Вид покрытия | 2 - кадмиевое с хроматированием (П21) |
| Заявка |
| | | Клапан главного цилиндра с обоймой ПодробнееДополнительная информация: | Заявка |
| | 4301-1602374 | Сетка с обоймой ПодробнееДополнительная информация:| Кол-во на 2705-0000012, 2705-0000014, 2705-0000022, 2705-0000024, 2705-0000032, 2705-0000034, 2705-0000042, 2705-0000044 | 1 | | Модель | 4301 | | Группа | Сцепление | | Подгруппа | Педаль и привод управления сцеплением | | Порядковый номер детали | 374 | | ОКПО класс | 45 Изделия автомобильной промышленности | | ОКПО подкласс | 3 Агрегаты, узлы и детали автомобилей грузовых, специализированных, автопогрузчиков и кузовов- фургонов специальных | | Вид изделия | 30-39 - болты | | Вид покрытия | 2 - кадмиевое с хроматированием (П21) |
| Заявка |
| | | Кольцо опорное штуцера бачка ПодробнееДополнительная информация: | Заявка |
| | | Штуцер бачка ПодробнееДополнительная информация: | Заявка |
| | | Прокладка штуцера ПодробнееДополнительная информация: | Заявка |
| | | Штуцер главного цилиндра ПодробнееДополнительная информация: | Заявка |
| | | Штуцер ПодробнееДополнительная информация: | Заявка |
| | | Корпус главного цилиндра сцепления ПодробнееДополнительная информация: | Заявка |
 | | | Проушина толкателя главного цилиндра сцепления ПодробнееДополнительная информация: | Заявка |